Заливной бак / Заливной бак с автодоливом для паровара
- В наличии
- Модель: Заливной бак
- Код (ID): 9687
В розничных магазинах цена товара может отличаться
Доступные опции
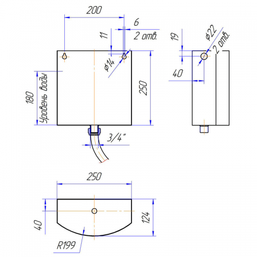
Заливной бак
Заливной бак используется для ручного долива и контроля уровня воды в парогенераторе.
Заливной бак - обязательный аксессуар парогенератора. Вы можете сами сделать заливной бак к ПАРОВАРУ из подходящей ёмкости, а можете приобрести готовый бак у нас.
Наш заливной бак сделан из той же нержавеющей стали, что и ПАРОВАР, вешается на стену рядом с печью и имеет в комплекте всё необходимое для подключения к парогенератору.
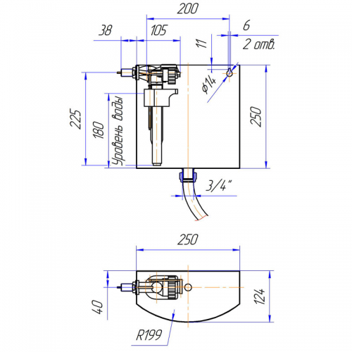
Заливной бак с автодоливом
Автодолив — это по сути тот же заливной бачок, но дополненный патрубком для подачи воды и поплавковым клапаном.
Автодолив используется для автоматического долива и контроля уровня воды в паровой печи или парогенераторе при наличии водопровода или выносного бака с водой.
Выход Автодолива подключается к парогенератору, а вход — к водопроводу или к баку.
В комплект поставки входит:
Шланг гофрированный AISI 304 0,5 метра — 1 шт.
Наличие и стоимость уточняйте у наших менеджеров!







