Портал Легенда Русский пар 30 (240) Пироксенит Элит
- Предзаказ
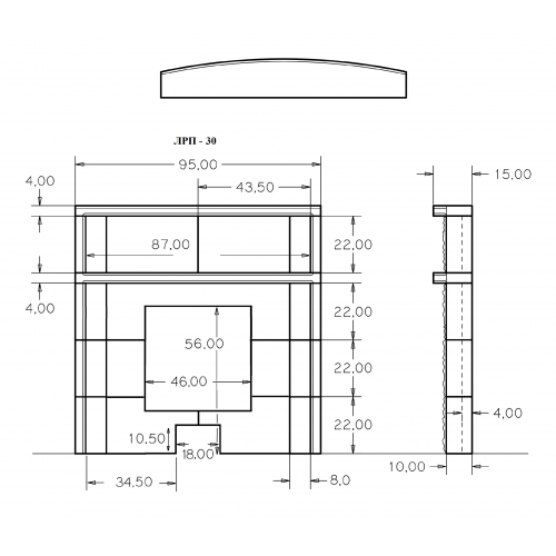
- Модель: Легенда Русский пар 30 (240)
- Код (ID): 9656
-
- Производитель: Везувий
- Габаритные размеры (ШхВхГ) 950х960х150 мм
- Серия Портал Легенда Русский пар 30 (240)
- Материал облицовки Пироксенит
- Вес портала 160 кг
Цену уточняйте
Баня – не только парилка и хорошая банная печь, стоящая в отдельном помещении.
Современные возможности и дизайнерские решения диктуют организацию топки печи со стороны предбанника. И оформление топочной дверки банной печи с наружной стороны тоже становится очень и очень актуальным.
Для создания интерьера бани в едином дизайне необходимо продумать одинаковый стиль оформления печи в парилке и в предбаннике. Отличным решением этого вопроса станут порталы из натурального камня.
При покупке банной печи Везувий в облицовке нужно сразу рассмотреть вариант отделки портала печи такой же облицовкой.
Порталы из натурального камня, кроме эстетической функции, имеют ещё ряд преимуществ перед обычными способами отделки печной дверки.
Порталы Везувий из натурального камня окружают топочную дверку и зольный ящик, перекрывают утечку тепла из парной в предбанник, обеспечивают пожаробезопасность топочного тоннеля.
Во внешнем виде порталов удачно сочетаются большие плитки полированного камня и маленькие плиточки камня «рваного», напоминающего природные сколы горных пород.
Портал может быть изготовлен из натурального талькохлорита, пироксенита, змеевика или пироксенита элит. Печные облицовки Везувий тоже сделаны из этих видов камня, так что подобрать портал к облицовке не составит труда.
Порталы собираются на металлических направляющих и скрепляются пожаростойкой мастикой. Изделия из натурального камня отличаются длительным сроком службы и отличными эксплуатационными характеристиками.
| Портал | |
| Габаритные размеры (ШхВхГ) | 950х960х150 мм |
| Серия | Портал Легенда Русский пар 30 (240) |
| Материал облицовки | Пироксенит |
| Вес портала | 160 кг |




